Vai al contenuto

Recommended Posts

Inviato

Anthracobia melaloma (Alb. & Schwein. : Fr.) Arnould 1893

Tassonomia
Divisione Ascomycota
Classe Pezizomycetes
Ordine Pezizales
Famiglia Pyronemataceae

Habitat
Crescita su terreno bruciato.

Specie simili
Viene presentata una chiave semplificata riguardo a tre specie simili:
Anthracobia macrocystis, peli marginali, corti, clavati, mono-bisettati, ialini.
Anthracobia maurilabra, peli marginali peli lunghi e stretti (60-100 µm), plurisettati, pigmento brunastro.
Anthracobia melaloma, peli marginali più corti, plurisettati, concatenati, con presenza di pigmento brunastro.

Regione Lombardia, località Doneda; Maggio 2012; Foto, descrizione e microscopia di Massimo Biraghi.

Parco del basso corso del fiume Brembo, località Doneda; in terreno bruciato dopo abbondanti piogge.

post-2286-0-90698200-1338761858.jpg

post-2286-0-86689100-1338761882.jpg

post-2286-0-56530000-1338761902.jpg

post-2286-0-97440400-1338761923.jpg

post-2286-0-38287100-1338761949.jpg

Spore 17-18,5 × 9-10 µm; ellissoidali con due grosse guttule. Osservazione a 400×.

post-2286-0-25214100-1338762214.jpg

Osservazione a 1000×.

post-2286-0-02153700-1338762241.jpg

post-2286-0-84600700-1338762254.jpg

Aschi 200 × 13 µm in media.

post-2286-0-02018000-1338762315.jpg

post-2286-0-43647900-1338762332.jpg

Parafisi cilindriche allargate all'apice, spesso a "testa di serpente" e con contenuto granuloso.

post-2286-0-50215400-1338762398.jpg

post-2286-0-34397600-1338762415.jpg

Excipulum medullare.

post-2286-0-95263000-1338762502.jpg

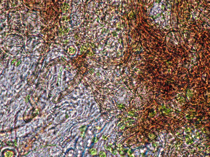
Excipulum ectale e peli multisettati e concatenati.

post-2286-0-99215100-1338762539.jpg

post-2286-0-71668300-1338762567.jpg

Peli.

post-2286-0-71474600-1338762584.jpg

post-2286-0-49879900-1338762599.jpg

Inviato

Anthracobia melaloma (Alb. & Schwein. : Fr.) Arnould; Regione Lombardia; Maggio 2013; Foto e microscopia di Massimo Biraghi.

Brembate (BG), parco Donedda, su terreno bruciato.

post-2286-0-17932600-1367864929.jpg

post-2286-0-23752700-1367864945.jpg

post-2286-0-39824100-1367864961.jpg

Palizzata di aschi e parafisi.

post-2286-0-89892700-1367865022.jpg

Aschi pleurorinchi 180-200 µm, clavati, ottasporici.

post-2286-0-28067500-1367865094.jpg

Spore.
Long. : N =26 ; dMd ; (17,09)18,139 - 19,14 - 21,537(21,96);
Larg. : N =26 ; dMd ; (8,69)8,875 - 9,35 - 10,985(11,13);
Q : N =26 ; dMd ; (1,86)1,87 - 1,98 - 2,172(2,22).
N° Long. Larg. Q
Moy 19,68 9,77 2,02;
Min 17,09 8,69 1,86;
Max 21,96 11,13 2,22;
média 19,35 9,67 2,00;
Lxl: N= 26 ; dMd; (17,09)18,14-19,14-21,54(21,96) x (8,69)8,88-9,35-10,99(11,13) Qm= 2,02.

post-2286-0-41623300-1367865137.jpg

Spore ellissoidali, liscie, biguttulate.

post-2286-0-09280300-1367865201.jpg

post-2286-0-22732000-1367865219.jpg

Excipulum.

post-2286-0-00272500-1367865247.jpg

Peli del margine del cappello.

post-2286-0-81788700-1367865286.jpg

Inviato

Anthracobia melaloma (Alb. & Schwein. : Fr.) Arnould; Regione Lombardia, Crema; Maggio 2013; Foto e microscopia di Emilio Pini.

Su residui di legno bruciato.

post-21-0-61130500-1368828247.jpg

post-21-0-79732900-1368828381.jpg

Aschi fino a 100 × 7-8 µm e parafisi con pigmento aranciato. Osservazione in acqua.

post-21-0-13718100-1368828556.jpg

Spore 16,5-18,5 × 8-9 µm.

post-21-0-06509400-1368829049.jpg

Excipulum ectale: Peli cilindrici-subclavati, settati, fino a 70 µm.

post-21-0-45620400-1368829500.jpg

post-21-0-96148400-1368829502.jpg

  • Tomaso Lezzi changed the title to Anthracobia melaloma (Alb. & Schwein.) Arnould 1893
  • Archivio Micologico changed the title to Anthracobia melaloma (Alb. & Schwein. : Fr.) Arnould 1893
×
×
  • Crea Nuovo...

Important Information

Termini d'uso Informativa sulla riservatezza